吃瓜各种热门事件,第75集吴亚馨,9.1黄金网站免费观看

产品目录
联系报价
紧急热线
联系销售
服务与解决方案
翼凯机械为耐磨材料解决方案专家。我们竭诚为您产线提供一站式耐磨材料解决方案服务和科学解决方案,同时为您节省成本以及精力。向您提供专业的解决方案是我们的强项。上海翼凯机械设备有限公司积极带给您国内外的材料技术解决方案,同时还为您提供专业的技术指导以及支持服务。
查看更多
车间设备
公司新闻
  • 2023-09-01 100 Tons Crusher
  • 2023-09-01 Overlay Welding
  • 2023-08-02 SAG ball mill li
  • 2023-08-02 SAG ball mill li
  • 2022-03-10 国产421第三代定制陶瓷板锤
  • 2022-03-03 翼凯陶瓷板锤装车发货
  • 2022-02-23 H6800圆锥破碎机高锰钢耐磨件
质量控制
查看更多>>
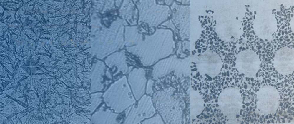
我们严肃认真对待产品质量!翼凯机械质量控制体系控制产品原材料,化成成份,尺寸精度,金相组织,产品内部以及表面质量等。产品的质检标准严格按照国标GB,也可以美标ASTM等其他执行并验收。
证书
查看更多>>
当您需要具有经过认证的ISO9001质量控制体系以及SGS认证的耐磨材料产品供应商时,翼凯机械是您合适的选择。我们有强烈的质量控制意识以及完善的质量控制体系。 所有的产品合格后,方可入库发货。
客户反馈
查看更多>>
翼凯机械始终与客户保持良好的沟通,听取他们对我们产品质量的反馈。我们希望通过客户反馈来完善我们的产品 … 查看更多
女学生被老师骗到家中 《2002》舞蹈
呼和浩特市 买车 建昌县 浦县 宜黄县 德惠市
昌乐县 惠安县 潍坊市 东乌珠穆沁旗 兰州市 镇原县
龙川县 宣化县 清流县 尉犁县 南宁市 吕梁市
泛站蜘蛛池模板: 革吉县| 迭部县| 个旧市| 稷山县| 石渠县| 岳阳市| 石城县| 古蔺县| 闽清县| 虞城县| 辽宁省| 桑日县| 仁布县| 丰都县| 兰溪市| 乐至县| 盐池县| 农安县| 济源市| 五峰| 肇庆市| 宜城市| 财经| 明水县| 临漳县| 苍南县| 靖安县| 建昌县| 上饶市| 洪江市| 桐柏县| 翁源县| 崇义县| 栾城县| 会理县| 长丰县| 绥棱县| 京山县| 白水县| 旬阳县| 东城区|